바비부르스의 스케치업
[건축물대장 도면 알바, 용도변경 도면, 신고 도면, 캐드 도면 알바] _ #016 다세대주택 도면 입니다. 본문
[건축물대장 도면 알바, 용도변경 도면, 신고 도면, 캐드 도면 알바] _ #016 다세대주택 도면 입니다.
바비부르스 2024. 9. 30. 14:53안녕하세요!!
스케치업 모델링, 투시도, 조감도,
도면(컬러링 도면,캐드 도면,리모델링도면,
용도변경도면, 건축물대장도면, 허가도면,신고도면작성)
포토샵 편집 및 합성 전문 프리랜서 바비부르스입니다.
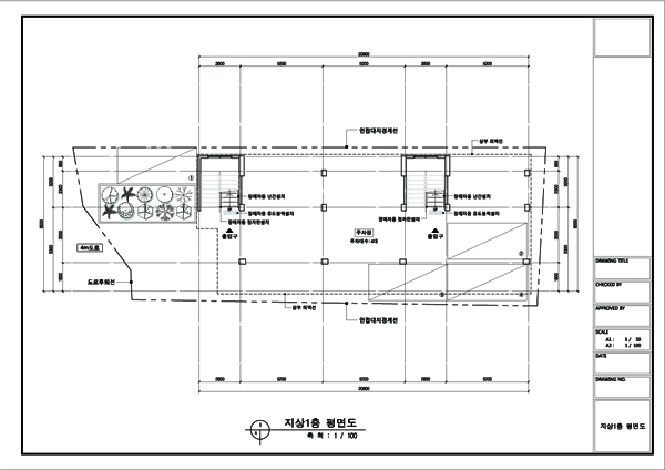
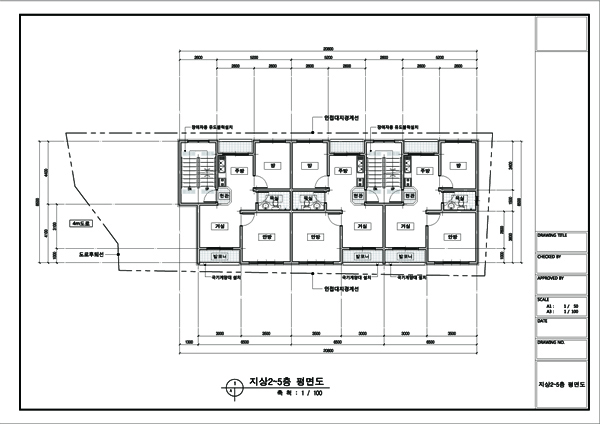
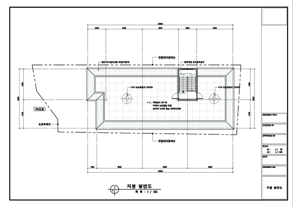
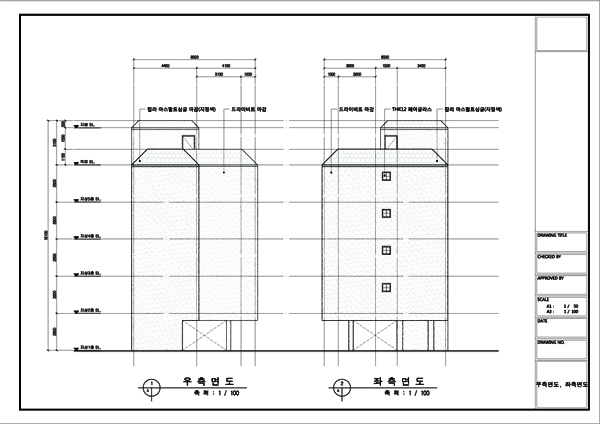
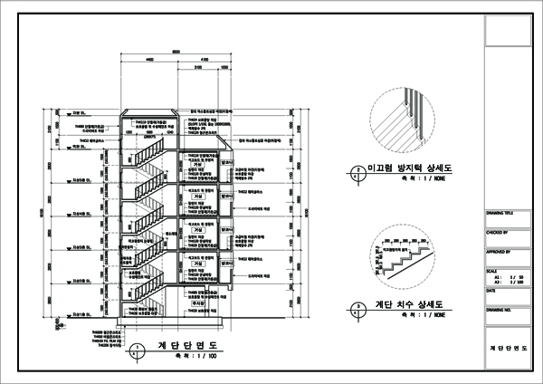
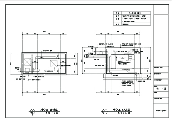
이번에 의뢰 받은 도면 지상5층 규모의 다세대주택 도면 입니다.
이번 작업은 건축물 대장을 제공 받아 다세대주택 도면 작업을 진행 하였습니다.
건축물대장 캐드도면이 필요하시면 상담을 통해 신속하고 빠르고 정확하게 도면을 그려 드리고 있습니다.
적절한 가격의 고퀄리티 건축물대장 캐드도면, 용도변경 캐드도면이 필요하시면 부담 없이 연락주세요.













[OO다세대주택 도면]
- Drawing : Auto Cad
「 스케치업 모델링, 현상설계 스케치업 작업, 투시도 , 조감도, 포토샵 편집 및 합성,
캐드 도면(배치도, 평면도, 입면도, 단면도), 컬러링 도면, 간단한 실내 실측 도면,
건축 허가도면, 건축 신고도면 등의 작업이 필요하신 분은 연락 부탁드립니다.
작업 비용은 면적 및 작업 난이도에 따라 상이하며,
상담전화(010-8853-3964)를 통해 자세히 알려드리겠습니다. 」
상담 전 아래의 공지사항을 확인하셔도 좋습니다.
https://rkdeh64.tistory.com/notice/239
"작업 과정 및 견적에 관한 내용"
더보기 안녕하세요!! 스케치업 모델링, 투시도, 조감도, 도면(컬러 도면,캐드도면,실측도면,허가도면,신고도면작성) 포토샵 편집 및 합성 전문 프리랜서 바비부르스입니다. "작업 과정 및 견적에
rkdeh64.tistory.com
#건축도면 알바, #주택 도면 알바, #오피스텔 평면도 알바, #근린생활시설 인테리어 도면 알바, #인테리어 도면 알바, #실내 인테리어 도면 알바
#건축 허가도면 알바, #건축 신고도면 알바, #건축물대장 캐드도면알바, #용도변경 캐드도면알바 #카페 도면 알바, #현상설계 도면 알바
#CAD 도면 알바, #평면도 알바, #배치도 알바, #입면도 알바, #단면도 알바, #도면 컬러링 알바, #포토샵 도면 알바
'건축도면,건축허가도면,건축신고도면' 카테고리의 다른 글
| [도면 알바, 허가 도면, 신고 도면, 캐드 도면 알바] _ #015 공장, 창고 도면 입니다. (1) | 2024.02.14 |
|---|---|
| [인테리어 도면 알바, 허가도면 도면, 신고 도면, 캐드 도면 알바] _ #014 커피숍, 프렌차이즈 카페 도면 입니다. (0) | 2024.01.24 |
| [프렌차이즈 인테리어 도면, 건축 도면, 신고 도면, 캐드 도면 알바] _ #013 식당, 프렌차이즈 음식점 도면 입니다. (0) | 2024.01.08 |
| [건축 도면_건축 도면 알바, 건축 신고도면 알바, 캐드 도면 알바] _ #012 축사 도면 입니다. (0) | 2023.09.21 |
| [건축 도면_건축 도면 알바, 건축 신고도면 알바, 캐드 도면 알바] _ #011 주택 옥상 리모델링 도면 입니다. (1) | 2023.08.19 |